近期浏览



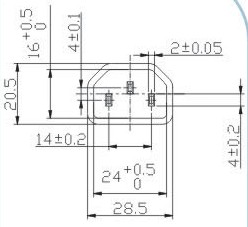
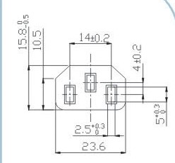
3*0.75平方电线适用于250V 10A 功率1500w以下的电器设备
3*1.0平方电线适用于250V 10A 功率2500w以下的电器设备
3*1.5平方 电线适用于250V 10A 功率3500w以下的电器设备
[ 其他未分类] [ 服务(设计、解密、测试、物流等)] [ 天线] [ 电子产品试验设备] [ LED] [ 显示器件] [ 可控硅(晶闸管)] [ 仪器仪表] [ 连接器(接插件)] [ 电线电缆] [ PLC] [ 机箱机柜/壳体] [ 变频器] [ 逆变器] [ 传感器] [ 变压器] [ 单片机] [ 二极管] [ 三极管(晶体管)] [ 场效应管(模块)] [ 电阻器] [ 电容器] [ 开关/按钮] [ 电位器] [ 继电器] [ 电源] [ 电感器] [ 晶体振荡器、滤波器] [ 安防配件及周边器材] [ 监控系统] [ 声频器件(扬声器、蜂鸣器)] [ 电声(扬声器、蜂鸣器)配件] [ 门禁、考勤、对讲] [ 智能交通] [ 消防器材] [ 防盗报警] [ 电子测量仪器] [ 五金工具] [ 电子材料] [ 印刷电路板(PCB)] [ 插头插座] [ 电池及配件] [ 电动机、线圈] [ 放电管] [ 热管理产品] [ 电子调谐器、高频头] [ 光电子(光纤器材)、激光器材] [ 电子管、微波磁控管] [ 保护元件] [ 工业编码器] [ IT设备、办公耗材] [ 防静电品] [ 磁性材料] [ 停车场设备] [ 低压电器] [ 焊接工具] [ 智能创新] [ 智能控制] [ 科技成果] [ 解决方案] [ 金融服务] [ 数据报告] [ 科技服务]








以下情况您可对商家进行维权投诉:
1、假冒伪劣 如您发现通过线上购买的商城产品为假货、冒牌货、翻新货,投诉得到元器件交易网确认后,将取消商家商家会员资格,并扣除所有保证金。
2、库存失实 商家发布的库存数量与实际库存不符,您无法采购到商家所承诺的库存量。
3、价格虚假 商家发布的价格是可既时交易的价格,商家无法按照已公布的价格进行交易。
![]()
向商家咨询(商家看到您的咨询将及时回复)
内 容:
验 证 码: