| 商品推荐
近期浏览
4路视频复用器使用说明书
一、产品简介:
本产品是把摄像机的视频信号和RS485反向控制器端的控制信号捆绑在一根同轴电缆上共同传输。它是采用频分复用技术,即把控制信号和视频信号调制在不同的频率点,再复合在一起传送,它可以实现在一根电缆内同时同向或者逆向传输两路视频信号和RS485控制信号,利用普通视频线可以传输600米,这样可有效提升线缆利用率,具有图像清晰、安装方便等特点。
它解决了控制信号的远距离传输,可大大延伸视频信号的传输距离。这种传输方式节省材料和成本、施工方便、免调试、稳定、可靠,等特点,在系统扩展和改造时更具灵活性,是视控信号传输的理想首选设备。
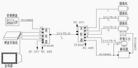
二、面板结构图
RF804T 发射器 RF804R接收器


三、接口说明:1-接DC12V电源;2-线路接RF804R;3-电源指示灯;4-数据指示灯;5-RS 485数据端口(接解码器,或直接接入球机,如果不带云台就不用接);6-9信号输入接摄像机;10-图像亮暗度调整按钮;11-电平调整按钮;12-线路接RF804T;13-16信号输出接监视器;17-接DC12V电源;18-电源指示灯;19-数据指示灯;20- RS 485数据端口(接收器接控制键盘);
四、产品特点:
1、 新工程中采用本设备,可以把同向两根视频电缆转变成一根视频电缆使用,节省电缆使用量;
2、 改造工程中,新增加点位可以就近接入;
3、 特殊使用,视频信号可以和数据信号捆绑在一根线上共同传输,而不需另外布数据线(注:数据信号是由插拔式的数据板构成,分别装在发射器和接收器里面,用户可以根据需要插拔选用,这样使用方便,节省了RS485传输线材);
4、 适合各种带云台控制或不带云台控制的远距离视频信号和数据控制信号的共缆传输;
5、 可在视频电缆也可以在射频电缆中远距离实现;
6、 内置防静电保护电路(采用防突破半导体元件)信号隔离模块,有效保护主控室设备不受外界静电干扰;
7、 模块化设计安装;
8、 四路视频同轴双向传输;
9、 传输距离远(SYV75-5同轴电缆一路可以传输600米,另外三路可以传输1200米)同时保证图像达到4级效果;
10、免调试,自适应: 只要在传输距离范围内,设备会自动调整自己的指标,确保电路可以兼容0距离与最远距离自适应,从而达到最佳效果,抗干扰能力强、工作稳定可靠;
11、采用频率复用技术可有效抵抗各种干扰;
12、全实时图像传输,无丢帧无延时,广播级图像指示;
13、简洁布线结构、取材方便、成本低廉、施工简便、缩短工时;
14、产品采用贴片安装工艺,保障其稳定性;
五、调试方法:
接收器的信号强度调节一般情况下不用动,本产品有自动增益功能,如果发现不同步,可适当调节接收器端的ATT电平调整按钮,增益强度可衰减20dB。
信号太弱图像会产生雪花点干扰,使用小螺丝刀对电平调整按钮进行调整,顺时针信号增大,反之减小,信号太强易造成网状干扰或图像扭曲现象,用螺丝刀调整。
发射器要有合适的图像信号输入电压,输入图像信号电压太低使得图像效果发灰图像层次感下降甚至会产生图
像扭曲,输入图像信号电压太高使得图像黑白对比过强同样也会造成图像层次感下降甚至会产生图像扭曲,因
此,使用中必须据实际情况调整确定,每个发射器留有输入电压调整电位器,使用小螺丝刀对V-ADJ进行调
整,顺时针信号增大,反之减小
六、连线示意图

七、注意事项:
l L≤600米; (l﹢L)≤600米;l1≤600米;l2≤600米;l3≤600米;
l 使用本设备前请认真阅读设备说明
l 严格按照规程安装调试;
l 注意设备防水、防潮、小心轻放;
l 请使用稳定DC12V电压供电;
l 请安装合适高度,以免损坏、触电;
l 接通电源前,请按照面板结构图所示,连接好线缆;
l 检查线缆的连接是否牢靠,以防接触不良;
l 设备出现故障,不要擅自打开,请与我公司售后服务部联系;








以下情况您可对商家进行维权投诉:
1、假冒伪劣 如您发现通过线上购买的商城产品为假货、冒牌货、翻新货,投诉得到元器件交易网确认后,将取消商家商家会员资格,并扣除所有保证金。
2、库存失实 商家发布的库存数量与实际库存不符,您无法采购到商家所承诺的库存量。
3、价格虚假 商家发布的价格是可既时交易的价格,商家无法按照已公布的价格进行交易。
![]()
向商家咨询(商家看到您的咨询将及时回复)
内 容:
验 证 码: