近期浏览
产品名称: 微型光电液位传感器
产品型号: GDY-001
产品特点及主要用途:
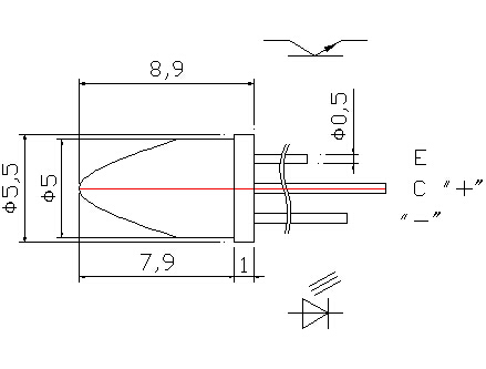
GDY-001微型光电液位开关是北京万顺华科技有限公司GDY-系列光电液位传感器中的较小款式;为微型结构设计,相当于一个φ5 LED大小;探头全长8.9mm,直径仅有5mm;嵌入式安装;晶体管E极输出,应用电路简单广泛;环氧树脂材料;工作温度为-25~+65℃。这种小巧的外形,具有更好的环境空间适应能力,更适合小型容器内的液位检测、报警及控制;常用于低粘度洁净液体(如:润滑油、汽油、柴油;食用油、各类饮用水及饮料;酸、碱、盐溶液及除丙酮外的多种有机溶剂等)液位关键点、上下限位点及多点液位测量监控、显示报警、定点控制。
执行标准:GJB33A-97《半导体分立器件总规范》;
工作原理:
性能参数:
材质: | 环氧树脂与金属支架的全包封; |
安装规格: | 嵌入式安装,见安装示意图; |
插入深度A: | 3mm~5mm; |
工作压力: | -0.1 to 2.5Mpa; |
工作温度: | -25℃~+65℃; |
耐电压: | C-E≥10VDC;C-“-”1.8~2.5VDC; |
电流消耗: | 15mA; |
输出方式: | 晶体管E极输出; |
重复精度: | ±1.0mm; |
接线端子: | 开关量:3个,电源(0、V+),信号源(E); |
外形尺寸:

基本应用电路: 安装示意图:

建议:供电电源5VDC时,R1取510Ω;R2取6.8KΩ有较好的输出效果。
联系方式:
北京万顺华科技有限公司
Beijing WellStar TechnologyCo., Ltd.
地址:北京市朝阳区北苑路13号院1号楼A单元4层; 邮编:100107;
电话:010-89752511; 传真:010-61713004;
联系人:刘炬辛; 手机: 13161035611
E-mail:sensorchina@163.com; QQ:531257101
http://www.sensorchina.com.cn 或 通用网址:液位测控;
[ 其他传感器] [ 震动传感器] [ 振动、接近、位移传感器] [ 力传感器] [ 电传感器] [ 压差传感器] [ 温度传感器] [ 速度、加速度传感器] [ 水分、湿度传感器] [ 视觉、图像传感器] [ 湿度传感器] [ 声波传感器] [ 色标、颜色传感器] [ 气体(烟雾)传感器] [ 流量传感器] [ 料位、液位传感器] [ 力矩、扭矩传感器] [ 接近传感器] [ 角度、倾角传感器] [ 加速度传感器] [ 霍尔与电流(压)传感器 ] [ 火焰(警)传感器] [ 激光传感器] [ 光纤、激光传感器] [ 光电、光敏传感器] [ 风速、风向、风量传感器] [ 电压传感器] [ 电流传感器] [ 电量传感器] [ 电磁、磁敏传感器] [ 称重传感器] [ 超声波、声敏传感器] [ 测距、距离传感器] [ 压力传感器] [ 位置传感器] [ 工业控制] [ 环境监测] [ 无线传感] [ 热释电传感器] [ 起重行业传感器] [ 数据采集] [ 模组、一氧化碳模组、可燃] [ 仪器设备] [ 厚膜电路] [ 拉力传感器] [ 测试仪表及其他] [ 传感器变送器] [ 流量计] [ 仪器仪表] [ 特殊应用产品] [ 短信报警器] [ 信号隔离器] [ 工业传感器] [ 惯性传感器] [ 工业安全防护系统] [ 过程仪表传感器] [ 识别与测量] [ 运动控制传感器] [ 位移传感器] [ MEMS传感器]








以下情况您可对商家进行维权投诉:
1、假冒伪劣 如您发现通过线上购买的商城产品为假货、冒牌货、翻新货,投诉得到元器件交易网确认后,将取消商家商家会员资格,并扣除所有保证金。
2、库存失实 商家发布的库存数量与实际库存不符,您无法采购到商家所承诺的库存量。
3、价格虚假 商家发布的价格是可既时交易的价格,商家无法按照已公布的价格进行交易。
![]()
向商家咨询(商家看到您的咨询将及时回复)
内 容:
验 证 码: