近期浏览
品名:光电(式)液位开关
规格:GDY-1150
特点:石英棱镜熔接在金属壳体上,耐压60bar以上;分体式结构,特别适合HVAC、液压设备等压力容器,用于液位的关键点、上下限位点或多点液位准确可靠的测量监控、显示报警、定点控制以及重型机械、铁路设备的油箱液位、管道内是否充满液体进行检测;使用多个这款光电(式)液位传感器并安装在不同的水平位置上,就可以用于高精度的分立液位测量。
性能参数:
材质 : | 外壳:不锈钢; 探头:石英; |
工作压力 : | -0.1 to 6Mpa最大 ; |
工作温度 : | -20℃~ +100℃;不适用于冷冻液体和结晶液体。 |
电流消耗 : | 约30mA ; |
输出型式: | TTL/COMS、集电极开路或继电器常开/常闭输出。 |
重复性 : | ±1.0mm ; |
电气联接: | TTL/COMS、集电极开路输出,3芯电缆长度1200mm(0 - 黑色线、V+ - 红色线、Uo - 蓝色线); 继电器常开/常闭输出5芯电缆长度1200mm(电源: 220VAC 时,零线 - 黑色线、火线 - 红色线;24VDC时,- - 黑色线、+ - 红色线;24VAC时,电源线为红色线和黑色线;继电器输出:白色线-公共线;绿色线-常闭输出;黄色线-常开输出); |
电源 | 12~24VDC/AC;220VAC |
继电器型号 | HTV6-DC12-SH 触点功率:20A 14VDC;5A 250VAC;7A 125VAC |
安装尺寸: | 1/2NPT或M20*1.5安装螺纹 |
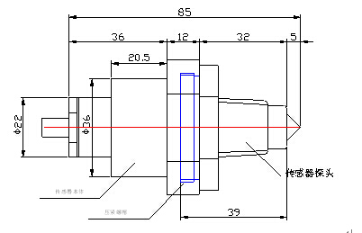
外形尺寸:

订货指南:
根据安装类型指定部件号,需要知道输入电源和输出条件;
规格 | 输入电源 | 电流接通时 探头所处状态 | 安装类型 | |
1/2NPT | M20×1.5 | |||
GDY-1150 | 12~24VDC/AC | 湿 | 240101 | 240102 |
GDY-1150 | 12~24VDC/AC | 干 | 240201 | 240202 |
GDY-1150 | 220VAC 50/60Hz | 湿 | 220101 | 220102 |
GDY-1150 | 220VAC 50/60Hz | 干 | 220201 | 220202 |
注:输出型式代号:TTL/COMS输出-T;集电极开路输出-N;继电器常开/常闭输出-J。
选型举例:供电:220VAC 50/60Hz;湿式;M20×1.5安装螺纹;继电器输出。
选型代号:GDY-1150/220102/J。
通讯方式:
北京万顺华科技有限公司
BeijingWellStar Technology Co., Ltd.
地址:北京市朝阳区北苑路13号院1号楼A单元4层
邮编:100107
电话:010-89752511
联系人:赵丹
手机:13161035611
http://www.sensorchina.com.cn;或www.sensor168.com.cn
QQ:531257101
通用网址:液位测控
[ 其他传感器] [ 震动传感器] [ 振动、接近、位移传感器] [ 力传感器] [ 电传感器] [ 压差传感器] [ 温度传感器] [ 速度、加速度传感器] [ 水分、湿度传感器] [ 视觉、图像传感器] [ 湿度传感器] [ 声波传感器] [ 色标、颜色传感器] [ 气体(烟雾)传感器] [ 流量传感器] [ 料位、液位传感器] [ 力矩、扭矩传感器] [ 接近传感器] [ 角度、倾角传感器] [ 加速度传感器] [ 霍尔与电流(压)传感器 ] [ 火焰(警)传感器] [ 激光传感器] [ 光纤、激光传感器] [ 光电、光敏传感器] [ 风速、风向、风量传感器] [ 电压传感器] [ 电流传感器] [ 电量传感器] [ 电磁、磁敏传感器] [ 称重传感器] [ 超声波、声敏传感器] [ 测距、距离传感器] [ 压力传感器] [ 位置传感器] [ 工业控制] [ 环境监测] [ 无线传感] [ 热释电传感器] [ 起重行业传感器] [ 数据采集] [ 模组、一氧化碳模组、可燃] [ 仪器设备] [ 厚膜电路] [ 拉力传感器] [ 测试仪表及其他] [ 传感器变送器] [ 流量计] [ 仪器仪表] [ 特殊应用产品] [ 短信报警器] [ 信号隔离器] [ 工业传感器] [ 惯性传感器] [ 工业安全防护系统] [ 过程仪表传感器] [ 识别与测量] [ 运动控制传感器] [ 位移传感器] [ MEMS传感器]








以下情况您可对商家进行维权投诉:
1、假冒伪劣 如您发现通过线上购买的商城产品为假货、冒牌货、翻新货,投诉得到元器件交易网确认后,将取消商家商家会员资格,并扣除所有保证金。
2、库存失实 商家发布的库存数量与实际库存不符,您无法采购到商家所承诺的库存量。
3、价格虚假 商家发布的价格是可既时交易的价格,商家无法按照已公布的价格进行交易。
![]()
向商家咨询(商家看到您的咨询将及时回复)
内 容:
验 证 码: