产品名称:非接触式光电液位开关
规格型号:GDY-F
原理应用:GDY-F非接触式光电液位开关,由利用卡壳内成对配置的红外收发装置与信号处理电路二部分组成,有源(电平)输出,可选继电器输出;传感头收发装置间的距离根据测量需要选择。工作温度为-25~65℃。这种新型传感器常用于透明容器内液体关键点、上下限位点及多点液位非接触式测量监控、显示报警、定点控制。
原理图:


性能参数:
壳体材质: | 信号处理器外壳为ABS塑料; |
光电探头: | 环氧树脂; |
安装规格: | 卡在透明容器/管路上; |
卡入深度A: | 3~5mm; |
工作温度: | -25℃ ~+65℃; |
供电电压: | 可提供5VDC~24VDC电源信号处理电路; |
电流消耗: | 5VDC 10mA,12VDC 15mA,24VDC 20 mA; |
输出方式: | 1、电平: 3线制开关量,电源(0、V+),信号源(U);2、继电器输出,5线制。 |
重复精度: | ±1mm; |
输出型式: | 1、湿式;2、干式输出。 |
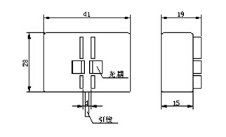
外形尺寸:

★ 液位探头有2种安装形式可供选择,
1、外形说明:
1、1利用槽型光电耦合器;
1、2发射和接收装置分别安装在容器两侧;
2、信号处理器外壳:长×宽×高=41×28×15/19(可不配外壳);
★ 订货说明:
(型号)-(安装规格)-(输出型式)- (输出方式)- (供电电压);
例如:
型号为:GDY-F;安装规格为分体;输出型式为干式输出;输出方式为继电器输出;供电电压为12VDC。
订货型号为:(GDY-F)-(分体)-(2)- (2)- (12VDC)。
联系方式:
北京万顺华科技有限公司
Beijing WellStar TechnologyCo., Ltd.
地址:北京市朝阳区北苑路13号院1号楼A单元4层;
邮编:100107;
电话:010-89752511; 传真:010-61713004;
联系人:赵丹; 手机:13161035611
E-mail:sensorchina@163.com; QQ:531257101
http://www.sensorchina.com.cn 或 www.sensor168.com.cn
[ 其他未分类] [ 服务(设计、解密、测试、物流等)] [ 天线] [ 电子产品试验设备] [ LED] [ 显示器件] [ 可控硅(晶闸管)] [ 仪器仪表] [ 连接器(接插件)] [ 电线电缆] [ PLC] [ 机箱机柜/壳体] [ 变频器] [ 逆变器] [ 传感器] [ 变压器] [ 单片机] [ 二极管] [ 三极管(晶体管)] [ 场效应管(模块)] [ 电阻器] [ 电容器] [ 开关/按钮] [ 电位器] [ 继电器] [ 电源] [ 电感器] [ 晶体振荡器、滤波器] [ 安防配件及周边器材] [ 监控系统] [ 声频器件(扬声器、蜂鸣器)] [ 电声(扬声器、蜂鸣器)配件] [ 门禁、考勤、对讲] [ 智能交通] [ 消防器材] [ 防盗报警] [ 电子测量仪器] [ 五金工具] [ 电子材料] [ 印刷电路板(PCB)] [ 插头插座] [ 电池及配件] [ 电动机、线圈] [ 放电管] [ 热管理产品] [ 电子调谐器、高频头] [ 光电子(光纤器材)、激光器材] [ 电子管、微波磁控管] [ 保护元件] [ 工业编码器] [ IT设备、办公耗材] [ 防静电品] [ 磁性材料] [ 停车场设备] [ 低压电器] [ 焊接工具] [ 智能创新] [ 智能控制] [ 科技成果] [ 解决方案] [ 金融服务] [ 数据报告] [ 科技服务]








以下情况您可对商家进行维权投诉:
1、假冒伪劣 如您发现通过线上购买的商城产品为假货、冒牌货、翻新货,投诉得到元器件交易网确认后,将取消商家商家会员资格,并扣除所有保证金。
2、库存失实 商家发布的库存数量与实际库存不符,您无法采购到商家所承诺的库存量。
3、价格虚假 商家发布的价格是可既时交易的价格,商家无法按照已公布的价格进行交易。
![]()
向商家咨询(商家看到您的咨询将及时回复)
内 容:
验 证 码: