近期浏览
产品名称:光电液位开关
产品型号:GDY-200 经济型
产品特点:
GDY-200经济型光电液位开关,能够精确测量点液位,用于洁净低粘度非结晶、对环氧树脂没有腐蚀作用液体有或无的监测,有源开关量输出(高/低电平),配套应用方便;该产品使用近红外线探测,可避免阳光或灯光的干扰而引起误动作;使用多个这款光电液位传感器并安装在不同的水平位置上,就可以用于高精度的分立液位测量。该款传感器具有体积小;安装使用方便;耐油、耐水、耐酸碱;节能、环保等诸多优点。外壳材质为ABS:PC或不锈钢;光电探头为树脂封装。可用于净水/污水处理、造纸、印刷、发电机设备、石油化工、食品、饮料、电工、染料工业、油压机械等行业领域液位的关键点、上下限位点或多点液位准确可靠的测量监控、显示报警、定点控制和气/液两相界面的鉴别以及重型机械、铁路设备的油箱液位、管道内是否充满液体进行检测。
性能参数:
壳体材质 : | ABS:PC或不锈钢; |
光电探头 : | 环氧树脂; |
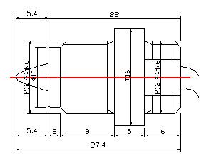
安装规格 : | M12*1螺纹安装或按客户要求; |
插入深度 : | ≥3mm或按客户要求; |
工作压力 : | -0.1 to 1Mpa以上 ; |
工作温度 : | -25℃~ +65℃;不可用于冷冻液体和结晶液体。 |
供电电压 : | 5~12VDC宽电压范围,可订制24VDC产品; |
电流消耗 : | 12VDC 30mA ; |
输出型式 : | 开关量(高、低电平)有源输出; |
重复精度 : | ±1.0mm ; |
电缆长度 : | 0.6米或按客户要求; |
电缆芯数 : | 开关量:3芯,电源(0 - 黑色线、V+ - 棕色线),输出(U – 蓝色线); |
安装尺寸:

订货说明:
本产品为GDY-200经济型光电液位开关;
特殊要求如壳体材质、安装规格、继电器输出、24VDC供电电压及电缆长度等需要单独说明。
万顺华科技 精品智造
[ 其他未分类] [ 服务(设计、解密、测试、物流等)] [ 天线] [ 电子产品试验设备] [ LED] [ 显示器件] [ 可控硅(晶闸管)] [ 仪器仪表] [ 连接器(接插件)] [ 电线电缆] [ PLC] [ 机箱机柜/壳体] [ 变频器] [ 逆变器] [ 传感器] [ 变压器] [ 单片机] [ 二极管] [ 三极管(晶体管)] [ 场效应管(模块)] [ 电阻器] [ 电容器] [ 开关/按钮] [ 电位器] [ 继电器] [ 电源] [ 电感器] [ 晶体振荡器、滤波器] [ 安防配件及周边器材] [ 监控系统] [ 声频器件(扬声器、蜂鸣器)] [ 电声(扬声器、蜂鸣器)配件] [ 门禁、考勤、对讲] [ 智能交通] [ 消防器材] [ 防盗报警] [ 电子测量仪器] [ 五金工具] [ 电子材料] [ 印刷电路板(PCB)] [ 插头插座] [ 电池及配件] [ 电动机、线圈] [ 放电管] [ 热管理产品] [ 电子调谐器、高频头] [ 光电子(光纤器材)、激光器材] [ 电子管、微波磁控管] [ 保护元件] [ 工业编码器] [ IT设备、办公耗材] [ 防静电品] [ 磁性材料] [ 停车场设备] [ 低压电器] [ 焊接工具] [ 智能创新] [ 智能控制] [ 科技成果] [ 解决方案] [ 金融服务] [ 数据报告] [ 科技服务]








以下情况您可对商家进行维权投诉:
1、假冒伪劣 如您发现通过线上购买的商城产品为假货、冒牌货、翻新货,投诉得到元器件交易网确认后,将取消商家商家会员资格,并扣除所有保证金。
2、库存失实 商家发布的库存数量与实际库存不符,您无法采购到商家所承诺的库存量。
3、价格虚假 商家发布的价格是可既时交易的价格,商家无法按照已公布的价格进行交易。
![]()
向商家咨询(商家看到您的咨询将及时回复)
内 容:
验 证 码: