近期浏览
产品名称:光电液位变送器
产品型号:GDY-B型
产品特点:
GDY-B型光电液位变送器,是北京万顺华科技有限公司(http://www.sensorchina.com.cn 或通用网址:液位测控)GDY-系列点液位光电液位传感器中的变送器;由光电液位开关和变送器2部分组成,有源或继电器输出,应用方便。可用于洁净低粘度、非结晶液体液位的监测与控制或报警;工作温度-25℃ ~65℃;广泛用于化工、石油化工、化纤、化肥、食品、医药、运输及军工等行业生产、储存及运输过程中多种液体贮罐、贮槽及各种反应釜的水、油、化学试剂及酸、碱和腐蚀液等液体关键点分立液位的高精度检测、控制及监控;重型机械、发电机组、铁路设备的油箱液位检测。冷却液储罐的液位检测;以及高压容器内的液位检测报警。
性能参数:
变送器壳体: | ABS; |
敏感头: | 不锈钢或ABS外壳; |
光电探头: | 树脂封装或石英棱镜; |
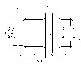
安装规格: | M12*1螺纹连接或按客户要求; |
工作温度: | -20℃ ~65℃; |
供电电压: | 5VDC、12VDC~24VDC可选; |
电流消耗: | 30 mA; |
输出: | 有源输出:高电平V+,低电平0VDC;继电器10A 30VDC/ 7A 220VAC (常开/常闭触点); |
重复精度: | ±1mm; |
外形尺寸:
探头:(见下页图) 变送器:长*宽*高 = 63*56*35
订货说明:

(型号)-(安装规格)-(测量体材质)-(输出型式)- (供电 电压);
例如:安装方式为螺纹安装M12*1;测量体材质为不锈钢;输出型式为继电器输出;供电电压为12VDC。订货型号为: (GDY-F)-(M12*1)-(不锈钢)-(继电器)- (12VDC)。
联系方式:
北京万顺华科技有限公司
Beijing WellStar TechnologyCo., Ltd.
地址:北京市朝阳区北苑路13号院1号楼A单元4层;
邮编:100107;
电话:010-89752511; 传真:010-61713004;
联系人:赵丹; 手机:13161035611
E-mail:sensorchina@163.com; QQ:531257101
http://www.sensorchina.com.cn 或 www.sensor168.com.cn
[ 其他未分类] [ 服务(设计、解密、测试、物流等)] [ 天线] [ 电子产品试验设备] [ LED] [ 显示器件] [ 可控硅(晶闸管)] [ 仪器仪表] [ 连接器(接插件)] [ 电线电缆] [ PLC] [ 机箱机柜/壳体] [ 变频器] [ 逆变器] [ 传感器] [ 变压器] [ 单片机] [ 二极管] [ 三极管(晶体管)] [ 场效应管(模块)] [ 电阻器] [ 电容器] [ 开关/按钮] [ 电位器] [ 继电器] [ 电源] [ 电感器] [ 晶体振荡器、滤波器] [ 安防配件及周边器材] [ 监控系统] [ 声频器件(扬声器、蜂鸣器)] [ 电声(扬声器、蜂鸣器)配件] [ 门禁、考勤、对讲] [ 智能交通] [ 消防器材] [ 防盗报警] [ 电子测量仪器] [ 五金工具] [ 电子材料] [ 印刷电路板(PCB)] [ 插头插座] [ 电池及配件] [ 电动机、线圈] [ 放电管] [ 热管理产品] [ 电子调谐器、高频头] [ 光电子(光纤器材)、激光器材] [ 电子管、微波磁控管] [ 保护元件] [ 工业编码器] [ IT设备、办公耗材] [ 防静电品] [ 磁性材料] [ 停车场设备] [ 低压电器] [ 焊接工具] [ 智能创新] [ 智能控制] [ 科技成果] [ 解决方案] [ 金融服务] [ 数据报告] [ 科技服务]








以下情况您可对商家进行维权投诉:
1、假冒伪劣 如您发现通过线上购买的商城产品为假货、冒牌货、翻新货,投诉得到元器件交易网确认后,将取消商家商家会员资格,并扣除所有保证金。
2、库存失实 商家发布的库存数量与实际库存不符,您无法采购到商家所承诺的库存量。
3、价格虚假 商家发布的价格是可既时交易的价格,商家无法按照已公布的价格进行交易。
![]()
向商家咨询(商家看到您的咨询将及时回复)
内 容:
验 证 码: