近期浏览
产品名称: 微型光电液位开关
产品型号: GDY-001
产品特点及主要用途:
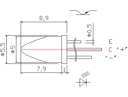
GDY-001微型光电液位开关是万顺华科技GDY-系列光电液位开关中的较小款式;为微型结构设计,相当于一个Φ5 LED大小;探头全长8.9mm,直径仅有5mm;嵌入式安装;晶体管E极输出,应用电路简单广泛;环氧树脂材料封装;工作温度为-25~+65℃。小巧的外形,具有更好的环境空间适应能力,更适合小型容器内的液位检测、报警及控制;常用于洁净低粘度非结晶液体(如:润滑油、汽油、柴油;食用油、各类饮用水及饮料;酸、碱、盐溶液及除丙酮外的多种有机溶剂等)液位关键点、上下限位点及多点液位测量监控、显示报警、定点控制。
执行标准:GJB33A-97《半导体分立器件总规范》;
工作原理:


性能参数:
材质: | 环氧树脂与金属支架的全包封; |
安装规格: | 嵌入式安装,见安装示意图; |
插入深度A: | 3mm~5mm; |
工作压力: | -0.1 to 2.5Mpa; |
工作温度: | -25℃~+65℃; |
耐电压: | C-E≥10VDC;C-“-”1.8~2.5VDC; |
电流消耗: | 15mA; |
输出方式: | 晶体管E极输出; |
重复精度: | ±1.0mm; |
接线端子: | 开关量:3个,电源(0、V+),信号源(E); |
外形尺寸:

基本应用电路: 安装示意图:
|
★ 供电电源5VDC时,R1取510Ω;R2取6.8KΩ有较好的输出效果。
联系方式:
北京万顺华科技有限公司
Beijing WellStar TechnologyCo., Ltd.
地址:北京市朝阳区北苑路13号院1号楼A单元4层;
邮编:100107;
电话:010-89752511; 传真:010-61713004;
联系人:赵丹; 手机:13161035611
E-mail:sensorchina@163.com; QQ:531257101
http://www.sensorchina.com.cn 或 www.sensor168.com.cn
医疗
[ 其他未分类] [ 服务(设计、解密、测试、物流等)] [ 天线] [ 电子产品试验设备] [ LED] [ 显示器件] [ 可控硅(晶闸管)] [ 仪器仪表] [ 连接器(接插件)] [ 电线电缆] [ PLC] [ 机箱机柜/壳体] [ 变频器] [ 逆变器] [ 传感器] [ 变压器] [ 单片机] [ 二极管] [ 三极管(晶体管)] [ 场效应管(模块)] [ 电阻器] [ 电容器] [ 开关/按钮] [ 电位器] [ 继电器] [ 电源] [ 电感器] [ 晶体振荡器、滤波器] [ 安防配件及周边器材] [ 监控系统] [ 声频器件(扬声器、蜂鸣器)] [ 电声(扬声器、蜂鸣器)配件] [ 门禁、考勤、对讲] [ 智能交通] [ 消防器材] [ 防盗报警] [ 电子测量仪器] [ 五金工具] [ 电子材料] [ 印刷电路板(PCB)] [ 插头插座] [ 电池及配件] [ 电动机、线圈] [ 放电管] [ 热管理产品] [ 电子调谐器、高频头] [ 光电子(光纤器材)、激光器材] [ 电子管、微波磁控管] [ 保护元件] [ 工业编码器] [ IT设备、办公耗材] [ 防静电品] [ 磁性材料] [ 停车场设备] [ 低压电器] [ 焊接工具] [ 智能创新] [ 智能控制] [ 科技成果] [ 解决方案] [ 金融服务] [ 数据报告] [ 科技服务]








以下情况您可对商家进行维权投诉:
1、假冒伪劣 如您发现通过线上购买的商城产品为假货、冒牌货、翻新货,投诉得到元器件交易网确认后,将取消商家商家会员资格,并扣除所有保证金。
2、库存失实 商家发布的库存数量与实际库存不符,您无法采购到商家所承诺的库存量。
3、价格虚假 商家发布的价格是可既时交易的价格,商家无法按照已公布的价格进行交易。
![]()
向商家咨询(商家看到您的咨询将及时回复)
内 容:
验 证 码: